成功案例
维继在无石棉板成张机的运用
无石棉板成张机是使石棉橡胶材料合成橡胶板设备,常运用于密封件行业。这家公司石棉板成张机成张规格为4500mm*1500mm,电机功率11kw ,电压380v 50hz 。

由于传统的热继电器对缺相保护不明显,时间一长,触点会因一时的电流过大而老化,导致接触**,进而造成缺相烧毁电机。而且设备电动机的运行状态没有明显的数据显示,设备故障时原因查找没有依据,只能盲目的查找,费时费力。

设备电机烧毁可能带来巨大的经济损失,员工的人生**也会受到威胁得不偿失。我们派遣了专业的应用工程师去现场勘查,诊断。做出专业的设计方案,解决问题。
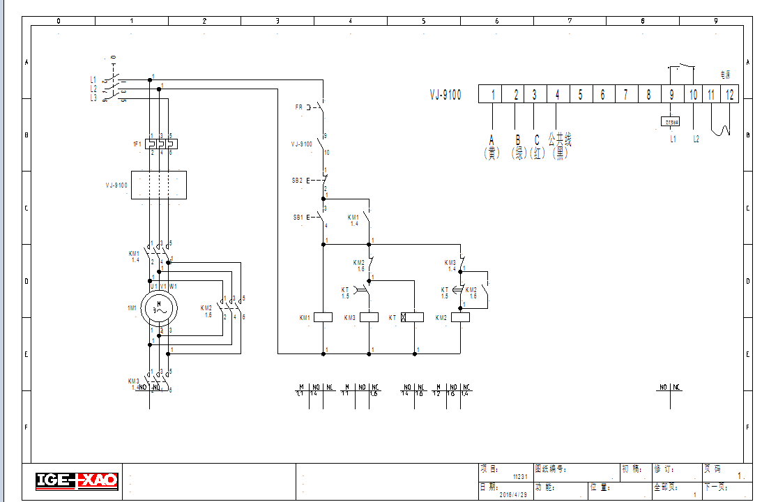
这是我们经过诊断为现场设备做出的设计方案,在原有的控制回路上加装智能的保护器。

员工和负责人通过保护器,能直观的看到电流,随时随地检测设备运行状态,做到有据可依。发生异常时,自动迅速切断电源,有效的保护电机确保设备正常运行。做到防患于未然。
Copyright© 2003-2026
苏州创泰电子有限公司版权所有
地址:江苏省苏州太仓市北京东路88号软件园东C幢
邮编:
电话:0512-53651666
传真:0512-53109780
面板表,水泵保护器,冷干机控制器,制冷温控器,电压保护器,VJ801,JD-5,电子式热继电器,数显电动机保护器,过载保护继电器,维继电流继电器,缺相保护器,三相不平衡保护器,智能型热继电器,数字式热继电器